

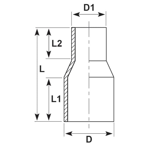
Long Spigot Concentric Reducers
Long Spigot Fittings
High Pressure PN25
PE100 Long Spigot Concentric Reducers
Ensure smooth, reliable flow transitions in your poly pipe systems with our premium range of PE100 Long Spigot Concentric Reducers. Designed for versatility and high performance, these fittings allow you to join pipes and fittings of different diameters on a central axis with ease.
Unlike short spigot alternatives, the extended spigot length on these reducers provides maximum flexibility for fabricators, making them fully compatible with both electrofusion and butt fusion welding equipment.
Why Choose Long Spigot Concentric Reducers?
Universal Welding Compatibility. The extra length ensures ample room to clamp into butt welding machines or accommodate electrofusion couplers without space constraints.
Hydraulic Efficiency. The symmetrical, tapered design acts as a hydraulic flow limiter, smoothing the transition between diameters to minimise turbulence.
Versatile Flow Control. These fittings can also function as enlargers (expanders). When installed in reverse (common in pump discharges), they help reduce backpressure, increase flow, and reduce friction loss over long runs.
Concentric reducers are the most frequently used reduction fitting in process piping. They are best suited for Vertical Piping - The symmetrical shape is ideal for vertical runs where air entrapment is not a concern. Inline Transitions - Joining piping of different SDRs or diameters on a standard centre line. Note: For horizontal suction lines where air pockets are a risk, we recommend checking our Eccentric Reducers range.
Technical Specifications & Sizing.
We stock an extensive range of sizes to suit any project requirement, from plumbing to heavy industrial mining.
-
SDR11 (PN16): Available from 20mm to 710mm
-
SDR17 (PN10): Available from 63mm to 1200mm
-
SDR7.4 (PN25): Available from 25mm to 500mm
-
Custom Machining: If your required size or pressure rating falls outside our standard range, our machine shop can fabricate the exact reduction you need.
Contact us for custom fabrication quotes.
Compliance