90 Degree Elbow
90 Degree Elbow
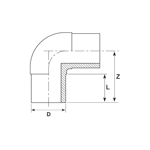
Long Spigot Elbows are the tightest & sharpest dimensional PE100 bends available. These would also be the most commonly 90-degree fitting supplied. Quality injection moulding ensures a full pressure rating. Long spigots provide flexibility for fusion welding and various pipe and other fittings joining options. Butt Fusion Welding or Electrofusion Couplers & Sockets can weld the Elongated spigots or long tails. 90-degree elbows are ideal for clean, pressurized fluids and gases. The 90° HDPE hard and sharp elbow is likely best suited dimensionally for your pipework. However, using them in the wrong applications may cause blockage and increased wear. For transporting abrasive media and solids, or for flat, no-grade gravity, and low-pressure pipelines, we recommend using quality smooth sweeping bends, elongated short radius bends, or multi bends. These options are the most suitable and fail-safe in such environments. Advanced Piping stocks 90° SDR11 elbows in sizes 20mm to 355mm and high-pressure 90° PN25 SDR7.4 elbows in sizes 32mm to 355mm. Larger 90deg elbows are available up to 630mm
Read More

Compliance

Compliance
Our products are tested regularly for high quality, durability, performance and safety.